当前位置:首页 > 专题专栏 > 优化营商环境

2022年涉企行政执法检查结果公示表(第二季度)

来源:营口市卫生健康委员会

作者:

发布时间:2023-01-16

【字号:

分享:

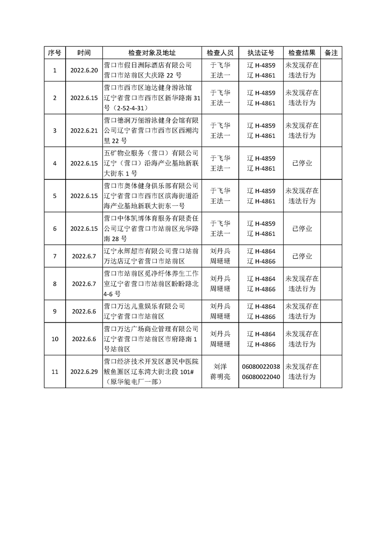
2022年涉企行政执法检查结果公示表(第二季度)

序号

时间

检查对象及地址

检查人员

执法证号

检查结果

备注

1 

2022.6.20

营口市假日洲际酒店有限公司

营口市站前区大庆路22号

于飞华

王法一 

辽H-4859

辽H-4861 

未发现存在违法行为 

2

2022.6.15

营口市西市区迪达健身游泳馆

辽宁省营口市西市区新华路南31号(2-52-4-31)

于飞华

王法一

辽H-4859

辽H-4861

未发现存在违法行为

3

2022.6.21

营口德润万俪游泳健身会馆有限公司

辽宁省营口市西市区西潮沟里22号

于飞华

王法一

辽H-4859

辽H-4861

未发现存在违法行为

4

2022.6.15

五矿物业服务(营口)有限公司

辽宁(营口)沿海产业基地新联大街东1号

于飞华

王法一

辽H-4859

辽H-4861

已停业

5 

2022.6.15

营口市奥体健身俱乐部有限公司

辽宁省营口市西市区滨海街道沿海产业基地新联大街东一号

于飞华

王法一 

辽H-4859

辽H-4861

未发现存在违法行为

 

6

2022.6.15

营口中体凯博体育服务有限责任公司

辽宁省营口市站前区光华路南28号

于飞华

王法一 

辽H-4859

辽H-4861 

已停业

7

2022.6.7

辽宁永辉超市有限公司营口站前万达店

辽宁省营口市站前区

刘丹兵

周珊珊

辽H-4864

辽H-4866

已停业

 

8

2022.6.7

营口市站前区觅净纤体养生工作室

辽宁省营口市站前区盼盼路北4-6号

刘丹兵

周珊珊

辽H-4864

辽H-4866

未发现存在违法行为

 

9

2022.6.6

营口万达儿童娱乐有限公司

辽宁省营口市站前区

刘丹兵

周珊珊

辽H-4864

辽H-4866

未发现存在违法行为

 

10

2022.6.6

营口万达广场商业管理有限公司

辽宁省营口市站前区市府路南1号站前区

刘丹兵

周珊珊

辽H-4864

辽H-4866

未发现存在违法行为

 

11 

2022.6.29 

营口经济技术开发区惠民中医院

鲅鱼圈区辽东湾大街北段101#(原华能电厂一部)

刘洋

蒋明亮

06080022038

06080022040 

未发现存在违法行为

 


  • 附件:
  • 视频:
扫一扫在手机打开当前页